These circuit diagrams and schematics are for information only. The material copyright is owned by the equipment maker. We are only allowed to show circuit diagrams or schematics of models that are no longer produced.

All the circuit diagrams on this page are for equipment we have serviced.

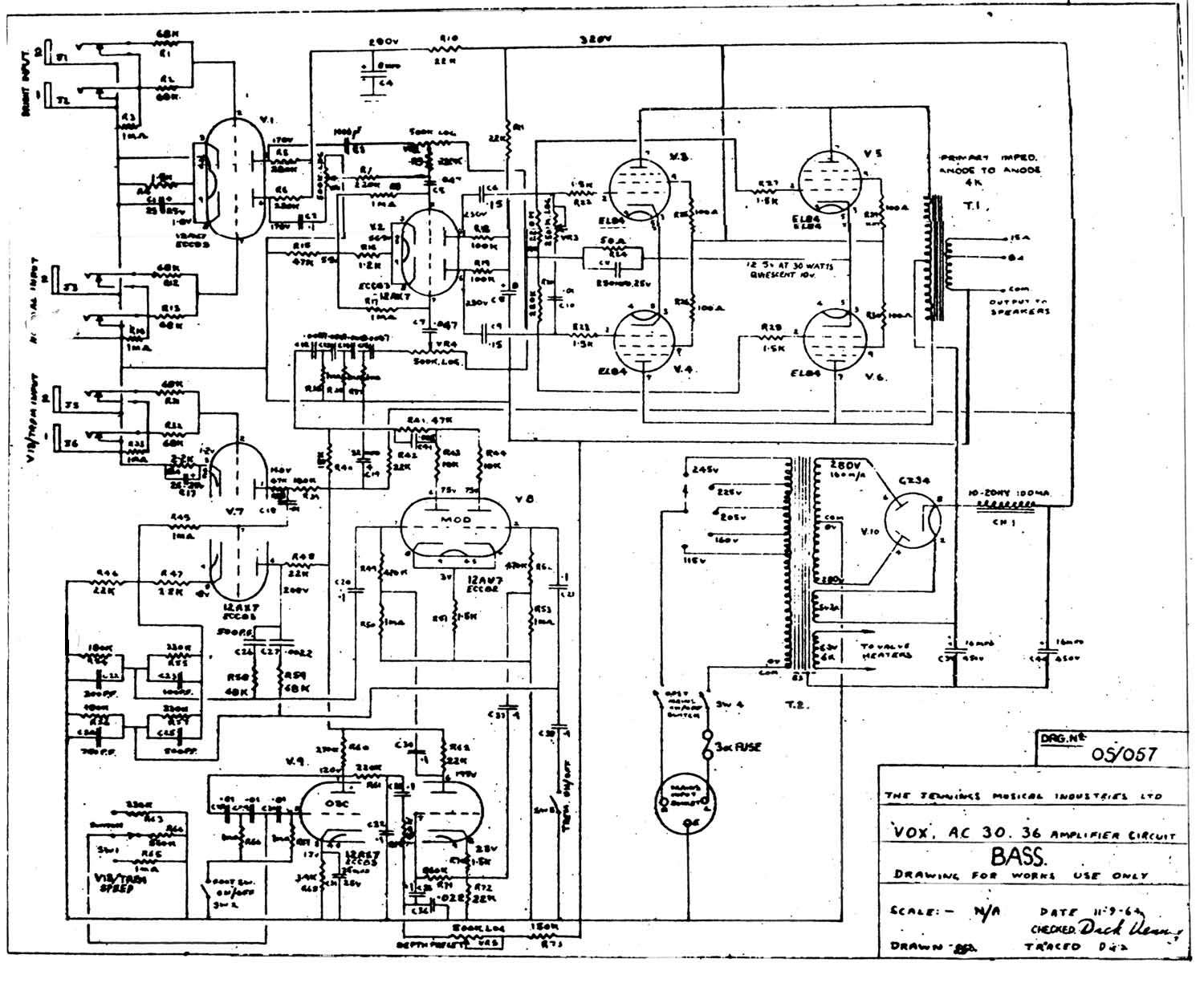
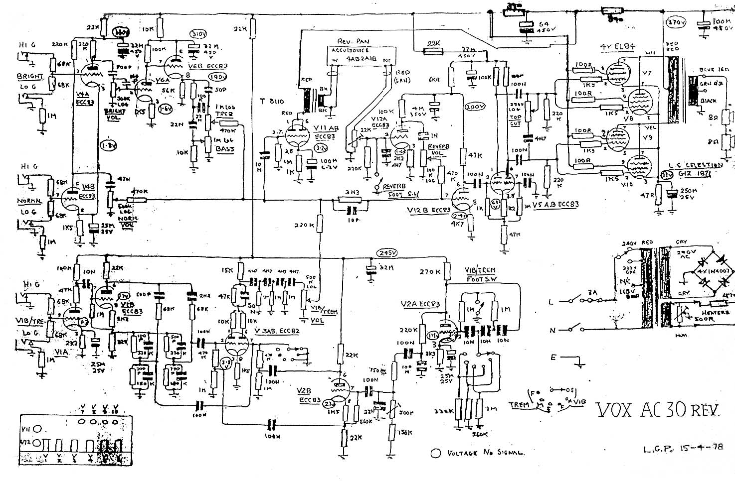
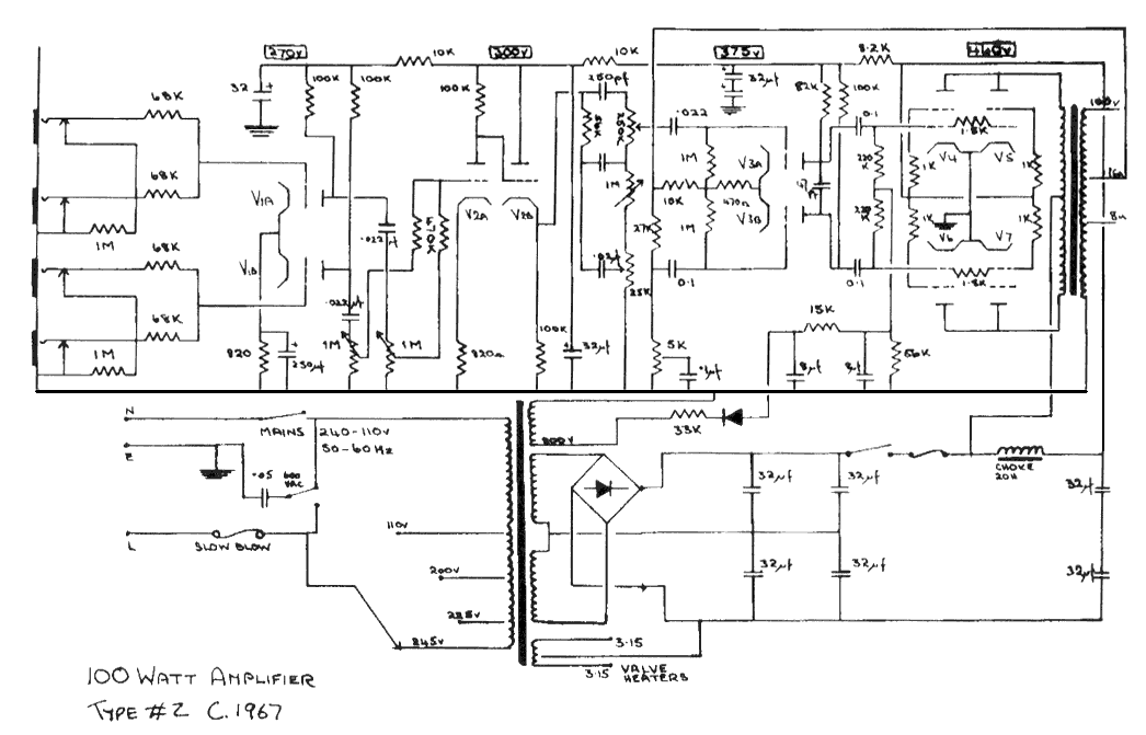
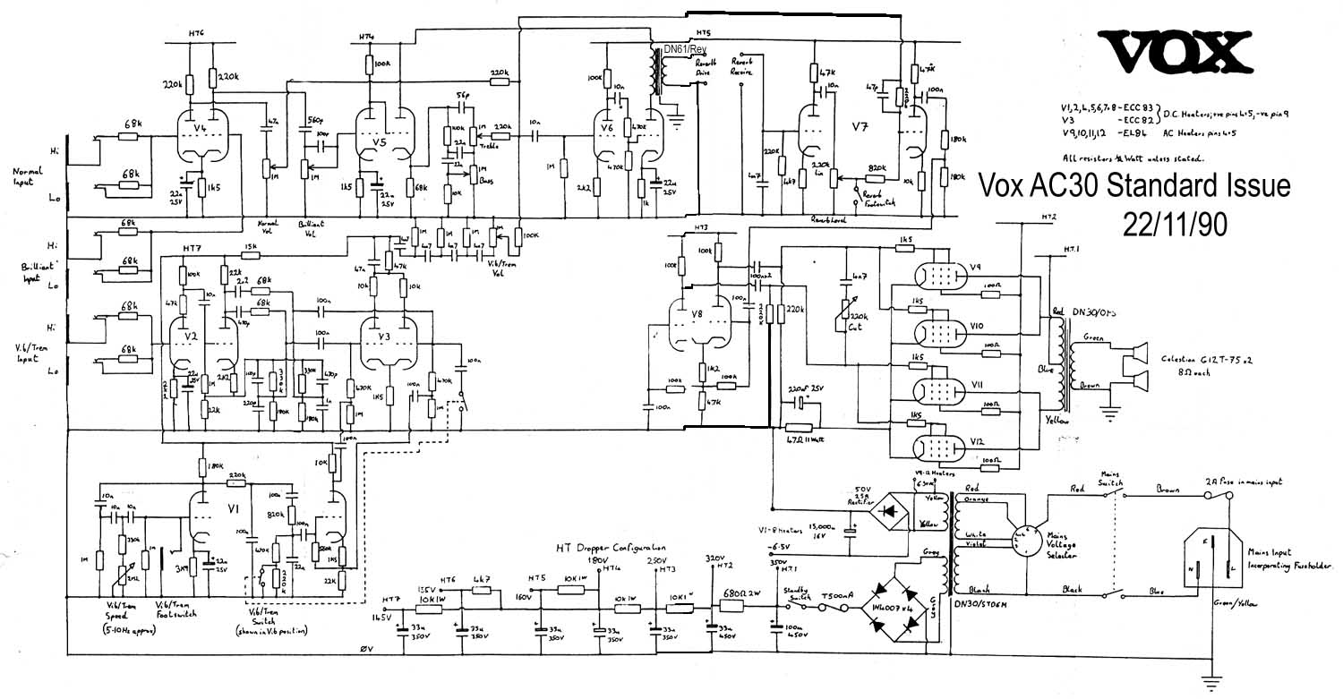
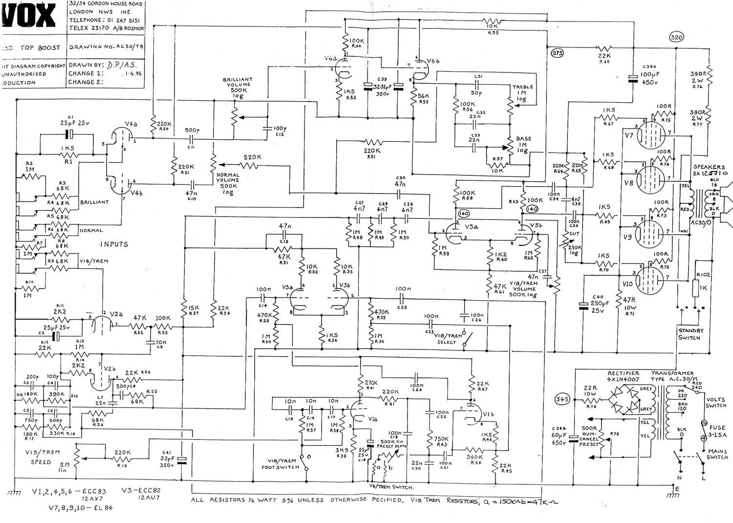
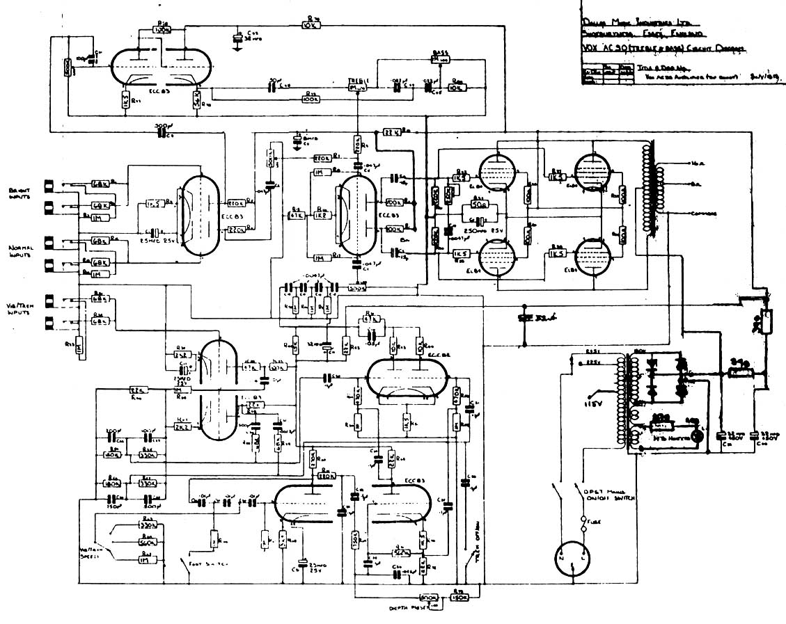
Vox

Selmer

All these Selmer circuit diagrams are 'mht'files. The links on the bottom of these files take you to the excellent source site.

Fender

Hughes and Kettner

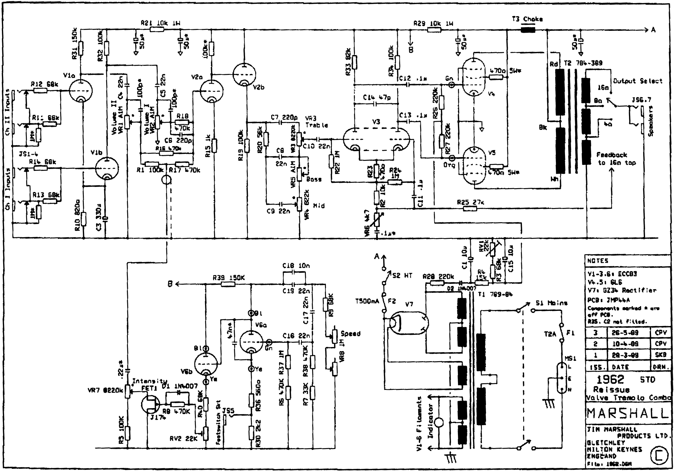
Marshall

Orange

Peavey